Forumi
Home Pravila i pomoć Članovi Kalendar Današnji postovi


Povratak   PC Ekspert Forum > Računala > Problemi > Hardverski problemi
Ime
Lozinka

Odgovori
 
Uređivanje
Staro 23.01.2021., 00:06   #1
Deyo238
Grazie Michael
Moj komp
 
Deyo238's Avatar
 
Datum registracije: Nov 2006
Lokacija: Ogulin
Postovi: 360
Logitech Z5500 popravak

Pozdrav ekipa!

Ima problem sa gore navedenim zvučnicima. Naime control pod je počeo zafrkavati, radi neko vrijeme i nakon nekog vremena počne "pucati" u basu te se zacrveni ledica na control podu i on se ugasi skroz. Ako ga lupim par puta rukom zna se dobiti. Vadio ploču od control poda van i probao je savijati dok radi da vidim da li je možda do hladnog lema ali ništa radi najnormalnije. Kad uzmem kist i udaram lagano po ploči drškom od kista počne na jednom dijelu to "pucanje". Sad me zanima da li zna neko dobrog električara/elektroničara koji bi to mogao napraviti. Ne dam ih u smeće, sviraju već 15 godina doma nadam se još toliko.

Riječ je o ovoj ploči: https://www.overclock.net/media/no-title.4241681/full

__________________


CPU: Intel Core i7 3930k C2 Sandy Bridge E 3200MHz @ 4500MHz (100x45 @ 1.288V) HT enabled
CLR: Corsair H100x
MBO: ASUS RAMPAGE IV FORMULA
RAM: Crucial DDR3-1600 2x8GB + 2x4GB (24GB) @ 1600MHz - 10-11-10-24-1T @ 1.535V
VGA: KFA2 GeForce GTX1070 8GB EXOC
HDD: ADATA SUV800 256GB ++ WD BLUE WD30EZRZ 3TB ++ WD Blue WD6400AAKS 640GB
PSU: Corsair CS550M 550W 80+ Gold Modular
BOX: Jonsbo W2
LCD: DELL P2417H 24" LED @ 1920x1080
OS1: MICROSOFT Windows 10 Pro N x64



GSM: iPhone 11 black 4/64GB
ROM: latest iOS


Zadnje izmijenjeno od: Deyo238. 22.02.2021. u 21:48.
Deyo238 je offline   Reply With Quote
Staro 22.02.2021., 22:02   #2
Deyo238
Grazie Michael
Moj komp
 
Deyo238's Avatar
 
Datum registracije: Nov 2006
Lokacija: Ogulin
Postovi: 360
Itko? Valjda postoji i pozna netko nekog elektroničara koji bi to mogao popraviti?
__________________


CPU: Intel Core i7 3930k C2 Sandy Bridge E 3200MHz @ 4500MHz (100x45 @ 1.288V) HT enabled
CLR: Corsair H100x
MBO: ASUS RAMPAGE IV FORMULA
RAM: Crucial DDR3-1600 2x8GB + 2x4GB (24GB) @ 1600MHz - 10-11-10-24-1T @ 1.535V
VGA: KFA2 GeForce GTX1070 8GB EXOC
HDD: ADATA SUV800 256GB ++ WD BLUE WD30EZRZ 3TB ++ WD Blue WD6400AAKS 640GB
PSU: Corsair CS550M 550W 80+ Gold Modular
BOX: Jonsbo W2
LCD: DELL P2417H 24" LED @ 1920x1080
OS1: MICROSOFT Windows 10 Pro N x64



GSM: iPhone 11 black 4/64GB
ROM: latest iOS


Zadnje izmijenjeno od: Deyo238. 01.03.2021. u 23:49.
Deyo238 je offline   Reply With Quote
Oglasni prostor
Oglas
 
Oglas
Staro 23.02.2021., 07:51   #3
Nbdy32
Premium
Moj komp
 
Datum registracije: Aug 2016
Lokacija: Bestovje,Sv.Nedelja
Postovi: 2,835
Ajd provjeri sve kabliće koji dolaze na ulaz (crni kabel) ...


lemilicom prelemi sve te kontakte,provjeri da nije koji kablić "puknuo" ...
Nbdy32 je offline   Reply With Quote
Staro 24.02.2021., 14:56   #4
Deyo238
Grazie Michael
Moj komp
 
Deyo238's Avatar
 
Datum registracije: Nov 2006
Lokacija: Ogulin
Postovi: 360
Citiraj:
Autor Nbdy32 Pregled postova
Ajd provjeri sve kabliće koji dolaze na ulaz (crni kabel) ...


lemilicom prelemi sve te kontakte,provjeri da nije koji kablić "puknuo" ...

Sve je to isprobano, čak sam ih sve precvikao i ponovno zalemio, i sve veće kontakte na ploči sam prelemio ali opet isto. Kolega kaže da vjv neka komponenta na ploči neispravna, pošto kad udarim rukom po ploči proradi na neko vrijeme. A nigdje ne mogu naći drugi control pod da ga zamijenim. Koliko sam shvatio PID mora biti stariji od R636. Moji su R606, tj. 2006 godina 6 tjedan. Na ebayu su svi noviji.


Sent from my iPhone using Tapatalk
__________________


CPU: Intel Core i7 3930k C2 Sandy Bridge E 3200MHz @ 4500MHz (100x45 @ 1.288V) HT enabled
CLR: Corsair H100x
MBO: ASUS RAMPAGE IV FORMULA
RAM: Crucial DDR3-1600 2x8GB + 2x4GB (24GB) @ 1600MHz - 10-11-10-24-1T @ 1.535V
VGA: KFA2 GeForce GTX1070 8GB EXOC
HDD: ADATA SUV800 256GB ++ WD BLUE WD30EZRZ 3TB ++ WD Blue WD6400AAKS 640GB
PSU: Corsair CS550M 550W 80+ Gold Modular
BOX: Jonsbo W2
LCD: DELL P2417H 24" LED @ 1920x1080
OS1: MICROSOFT Windows 10 Pro N x64



GSM: iPhone 11 black 4/64GB
ROM: latest iOS

Deyo238 je offline   Reply With Quote
Staro 24.02.2021., 15:10   #5
Nikky
Moderator
 
Nikky's Avatar
 
Datum registracije: Sep 2006
Lokacija: St
Postovi: 23,557
Sad ti jedino preostane lagano lem po lem osvježiti,
dobro bi bilo pod povećalom sa svjetlom ako ga imaš.
Ako ti izgleda sumljivo onda prvo počisti pumpicom pa novim tinolom ...
Nemoj previše grijati da ne otpadne pcb štampa.
Starija klasična konstrukcija je lakša / jednostavnija za takav zadatak,
a novija smd zna biti škakljivo (radi na "preskok" da se stigne ohladiti tj. da ti ne otpadne komponenta kompletno).
Nikky je offline   Reply With Quote
Staro 24.02.2021., 21:41   #6
Overclock
Premium
Moj komp
 
Overclock's Avatar
 
Datum registracije: Mar 2009
Lokacija: Zagorje
Postovi: 1,001
Mehanicki utjecaj upucuje na mehanicki kvar:
Provjeriti sve prekidace, pa potenciometar, zatim konektore.
Overclock je offline   Reply With Quote
Staro 25.02.2021., 12:29   #7
Night
Premium
 
Datum registracije: Oct 2008
Lokacija: Dbk
Postovi: 1,310
To može biti problem i u konektorima pošto su unutra prekidači koji signaliziraju je li uštekan jack. Meni je tako na Logitech zvučnicima prestao raditi zvuk osim preko slušalica, onda sam našao gdje je u konektoru prekidač koji gasi zvučnike kad se uštekaju slušalice i zalemio paralelno dodatni prekidač koji sam izvukao na kućište zvučnika.
Night je offline   Reply With Quote
Staro 25.02.2021., 13:08   #8
spawn
Premium
Moj komp
 
spawn's Avatar
 
Datum registracije: Aug 2004
Lokacija: Istra
Postovi: 8,441
Imas puno komponenti koje mogu biti uzrok. Za osvjezavanje lemova na svakoj treba strpljenja i lem po lem na svakom ic-u. Ima i dosta kondenzatora pa i njih lem po lem. Ako trazis elektronicara, trazi nekoga tko ima vise radnika da ne cekas mjesec dana da dodjes na red, ovakvi su popravci upitne uspjesnosti pa ih servisi izbjegavaju.
spawn je offline   Reply With Quote
Staro 01.03.2021., 00:18   #9
Deyo238
Grazie Michael
Moj komp
 
Deyo238's Avatar
 
Datum registracije: Nov 2006
Lokacija: Ogulin
Postovi: 360
Ma isprobao sam većinu toga, sve živo sam prelemio. Odustao i nabavio receiver od Pioneera-a, moram samo skužiti kako sub prebaciti u mod da se spoji preko coaxa na reciever i tjt. Sigurno će sve puno bolje zvučati naspram control poda. Tražio sam po ebayu control pod traže po 100 eura za njega, a za 600kn sam nabavio reciever koji ga prešiša.
__________________


CPU: Intel Core i7 3930k C2 Sandy Bridge E 3200MHz @ 4500MHz (100x45 @ 1.288V) HT enabled
CLR: Corsair H100x
MBO: ASUS RAMPAGE IV FORMULA
RAM: Crucial DDR3-1600 2x8GB + 2x4GB (24GB) @ 1600MHz - 10-11-10-24-1T @ 1.535V
VGA: KFA2 GeForce GTX1070 8GB EXOC
HDD: ADATA SUV800 256GB ++ WD BLUE WD30EZRZ 3TB ++ WD Blue WD6400AAKS 640GB
PSU: Corsair CS550M 550W 80+ Gold Modular
BOX: Jonsbo W2
LCD: DELL P2417H 24" LED @ 1920x1080
OS1: MICROSOFT Windows 10 Pro N x64



GSM: iPhone 11 black 4/64GB
ROM: latest iOS

Deyo238 je offline   Reply With Quote
Staro 01.03.2021., 10:10   #10
Sam Fischer
Džabe si krečio!
Moj komp
 
Sam Fischer's Avatar
 
Datum registracije: Oct 2004
Lokacija: Zagreb
Postovi: 5,190
Citiraj:
Autor Deyo238 Pregled postova
Ma isprobao sam većinu toga, sve živo sam prelemio. Odustao i nabavio receiver od Pioneera-a, moram samo skužiti kako sub prebaciti u mod da se spoji preko coaxa na reciever i tjt. Sigurno će sve puno bolje zvučati naspram control poda. Tražio sam po ebayu control pod traže po 100 eura za njega, a za 600kn sam nabavio reciever koji ga prešiša.
Ja sam dugo imao sub od Z2300 spojen na receiver, ovako nešto uzmeš, ima hrpu toga. Naravno ne moraš gold plated, ovo je prva stvar koja mi je izletila pa pejstam

https://www.amazon.com/VCE-2-Pack-Pl...6XYCTRP9&psc=1
Sam Fischer je offline   Reply With Quote
Oglasni prostor
Oglas
 
Oglas
Staro 01.03.2021., 13:24   #11
spawn
Premium
Moj komp
 
spawn's Avatar
 
Datum registracije: Aug 2004
Lokacija: Istra
Postovi: 8,441
Samo treba paziti jer je pojacalo u subu, i naravno regulira jacinu pa se mogu spaliti ulazi u receiver ako se spaja chinchevima
spawn je offline   Reply With Quote
Staro 01.03.2021., 17:11   #12
Deyo238
Grazie Michael
Moj komp
 
Deyo238's Avatar
 
Datum registracije: Nov 2006
Lokacija: Ogulin
Postovi: 360
Citiraj:
Autor Bruno_Rv Pregled postova
Samo treba paziti jer je pojacalo u subu, i naravno regulira jacinu pa se mogu spaliti ulazi u receiver ako se spaja chinchevima
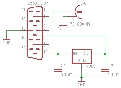
Ja sam išao po ovoj shemi u privitku samo ja sam to zalemio direktno na konektor s druge strane i to sam danas probao ali ne radi. Kod frenda je to sve stajalo 3 mjeseca i kako je prčkao po control podu (sve je prelemljivao) i unutar suba je na pojačalu skurio jedan 78M18 stabilizator napona kojeg sad moram promijeniti da to sve proradi. Nemogu ga nigdje kod nas naći pa moram s eBaya naručiti. Na diyaudio forumu masa ljudi je tako prepravila sub i radi bez greške sa recieverom.
Attached Thumbnails
Click image for larger version

Name:	Z5500_SubPreOut.png‎
Views:	353
Size:	4.0 kB
ID:	23518   Click image for larger version

Name:	20141212.jpg‎
Views:	346
Size:	135.9 kB
ID:	23519  
__________________


CPU: Intel Core i7 3930k C2 Sandy Bridge E 3200MHz @ 4500MHz (100x45 @ 1.288V) HT enabled
CLR: Corsair H100x
MBO: ASUS RAMPAGE IV FORMULA
RAM: Crucial DDR3-1600 2x8GB + 2x4GB (24GB) @ 1600MHz - 10-11-10-24-1T @ 1.535V
VGA: KFA2 GeForce GTX1070 8GB EXOC
HDD: ADATA SUV800 256GB ++ WD BLUE WD30EZRZ 3TB ++ WD Blue WD6400AAKS 640GB
PSU: Corsair CS550M 550W 80+ Gold Modular
BOX: Jonsbo W2
LCD: DELL P2417H 24" LED @ 1920x1080
OS1: MICROSOFT Windows 10 Pro N x64



GSM: iPhone 11 black 4/64GB
ROM: latest iOS

Deyo238 je offline   Reply With Quote
Staro 01.03.2021., 17:38   #13
Nikky
Moderator
 
Nikky's Avatar
 
Datum registracije: Sep 2006
Lokacija: St
Postovi: 23,557
Koja izvedba kućišta je taj 78M18 ?
Sad kad glasno razmišljam nije ni bitno

Imaš približno rješenje za dobiti 18V, uzmeš 7812 ili 7815 i na masu (srednju) dodaš zener diodu (razlika napona),
npr. 7812 stabilizator + 5.6V ili 6.1V zener dioda:
https://kronos.hr/ic-stabilizator-na...73-7812-t.html
+
https://kronos.hr/dioda-zener/11925-z-56-13w.html
ili
https://kronos.hr/dioda-zener/11903-z-62-13w.html

a onda sam tražeći primjer našao gotovi:
https://kronos.hr/ic-stabilizator-na...15-7818-t.html
malo ćeš prilagoditi nožice da se spoji gdje šta treba (usporedi pinout) i riješeno
Nikky je offline   Reply With Quote
Staro 01.03.2021., 17:43   #14
spawn
Premium
Moj komp
 
spawn's Avatar
 
Datum registracije: Aug 2004
Lokacija: Istra
Postovi: 8,441
Super ako je tako jednostavno riješenje. Ja sam malo cackao z2300 pa cu i ja vidjeti kako da si slozim i iskoristim sistem BT pločicu pa kemijam da ugradim u kotroler
spawn je offline   Reply With Quote
Staro 01.03.2021., 17:43   #15
Deyo238
Grazie Michael
Moj komp
 
Deyo238's Avatar
 
Datum registracije: Nov 2006
Lokacija: Ogulin
Postovi: 360
SMD je izvedba, dvije nožice i ona treća se direkt na ploču lemi. Našao sam i u dućanu u Nišu kod susjeda pa ću vidjeti da mi tamo to netko naruči sebi i onda meni poštom pošalje radije nego da kemijam sa diodama i sl, ali hvala svejedno.
__________________


CPU: Intel Core i7 3930k C2 Sandy Bridge E 3200MHz @ 4500MHz (100x45 @ 1.288V) HT enabled
CLR: Corsair H100x
MBO: ASUS RAMPAGE IV FORMULA
RAM: Crucial DDR3-1600 2x8GB + 2x4GB (24GB) @ 1600MHz - 10-11-10-24-1T @ 1.535V
VGA: KFA2 GeForce GTX1070 8GB EXOC
HDD: ADATA SUV800 256GB ++ WD BLUE WD30EZRZ 3TB ++ WD Blue WD6400AAKS 640GB
PSU: Corsair CS550M 550W 80+ Gold Modular
BOX: Jonsbo W2
LCD: DELL P2417H 24" LED @ 1920x1080
OS1: MICROSOFT Windows 10 Pro N x64



GSM: iPhone 11 black 4/64GB
ROM: latest iOS

Deyo238 je offline   Reply With Quote
Staro 01.03.2021., 18:00   #16
Nikky
Moderator
 
Nikky's Avatar
 
Datum registracije: Sep 2006
Lokacija: St
Postovi: 23,557
Eno zadnji link je 7818 samo je kalasična izvedba a ne smd, samo se malo snađeš da se spoji gdje šta treba
Nikky je offline   Reply With Quote
Staro 13.03.2021., 21:42   #17
Deyo238
Grazie Michael
Moj komp
 
Deyo238's Avatar
 
Datum registracije: Nov 2006
Lokacija: Ogulin
Postovi: 360
Citiraj:
Autor Nikky Pregled postova
Eno zadnji link je 7818 samo je kalasična izvedba a ne smd, samo se malo snađeš da se spoji gdje šta treba
Ipak pričekao original, zalemio, prepravio sub po onoj gore shemi i stvar radi bez problema sa receiverom. Jedino se čuje zujanje iz suba od pretpostavljam torodialnog transformatora, ali skoro pa je to zanemarivo.
__________________


CPU: Intel Core i7 3930k C2 Sandy Bridge E 3200MHz @ 4500MHz (100x45 @ 1.288V) HT enabled
CLR: Corsair H100x
MBO: ASUS RAMPAGE IV FORMULA
RAM: Crucial DDR3-1600 2x8GB + 2x4GB (24GB) @ 1600MHz - 10-11-10-24-1T @ 1.535V
VGA: KFA2 GeForce GTX1070 8GB EXOC
HDD: ADATA SUV800 256GB ++ WD BLUE WD30EZRZ 3TB ++ WD Blue WD6400AAKS 640GB
PSU: Corsair CS550M 550W 80+ Gold Modular
BOX: Jonsbo W2
LCD: DELL P2417H 24" LED @ 1920x1080
OS1: MICROSOFT Windows 10 Pro N x64



GSM: iPhone 11 black 4/64GB
ROM: latest iOS

Deyo238 je offline   Reply With Quote
Oglasni prostor
Oglas
 
Oglas
Odgovori



Pravila postanja
Vi ne možete otvarati nove teme
Vi ne možete pisati odgovore
Vi ne možete uploadati priloge
Vi ne možete uređivati svoje poruke

BB code je Uključeno
Smajlići su Uključeno
[IMG] kod je Uključeno
HTML je Isključeno

Idi na