Forumi
Home Pravila i pomoć Članovi Kalendar Današnji postovi


Povratak   PC Ekspert Forum > Računala > Kućišta, napajanja i modding > Case Modding
Ime
Lozinka

Odgovori
 
Uređivanje
Staro 24.06.2004., 11:10   #1
ćiber_manija
CyberSky
 
ćiber_manija's Avatar
 
Datum registracije: Feb 2004
Lokacija: Jastrebarsko
Postovi: 1,168
VU metar

Složio sam Vu metar po ovoj shemi no jako mi slabo svijetle Ledice i kad zvučnike raspalim do kraja.Kako mogu sredit da mi Ledice svijetle jače?
__________________
The šuma...
ćiber_manija je offline   Reply With Quote
Staro 24.06.2004., 12:16   #2
Njusskallo
Premium
Moj komp
 
Njusskallo's Avatar
 
Datum registracije: Nov 2003
Lokacija: Zagreb
Postovi: 955
hehe .. kao prvo na tvojoj stranici se shema nemoze prikazat, a kao drugo nije vazno koliko se zvučnici čuju nego koliki ti je ulazni signal

Ako ti je taj signal premali ond češ vjerovatno morati raditi i neko malo predpojačalo koje če ti taj signal povečati


Evo ti jedan kompliciraniju vu metar .. ali za njega znam da radi
Attached Thumbnails
Click image for larger version

Name:	vumetar.gif‎
Views:	396
Size:	11.7 kB
ID:	1808  
Njusskallo je offline   Reply With Quote
Oglasni prostor
Oglas
 
Oglas
Staro 24.06.2004., 15:01   #3
ćiber_manija
CyberSky
 
ćiber_manija's Avatar
 
Datum registracije: Feb 2004
Lokacija: Jastrebarsko
Postovi: 1,168
Uspio sam spojiti da mi svjetli,e sad radim konektore da ga spojim na Pc a da ne trebam gulit žice i lemit na zvučnik.Imam sve konektore,no neznam kak sad zalemit žice.Kak sad zalemit žice na ta tri pina da mogu spojiti na to drugi muški dio(ulaz od zvučnika)?
Attached Thumbnails
Click image for larger version

Name:	shema.gif‎
Views:	293
Size:	1.7 kB
ID:	1809  
__________________
The šuma...
ćiber_manija je offline   Reply With Quote
Staro 30.06.2004., 01:51   #4
Njusskallo
Premium
Moj komp
 
Njusskallo's Avatar
 
Datum registracije: Nov 2003
Lokacija: Zagreb
Postovi: 955
Na tom kablu imaš tri žice .... bijelu, crvenu i masu (žica koja je spojena na kučište)

Sad spoji vu metar s crvenom žicom i masom, a zvučnik sa bijelom i masom ..

Njusskallo je offline   Reply With Quote
Staro 30.06.2004., 10:47   #5
ćiber_manija
CyberSky
 
ćiber_manija's Avatar
 
Datum registracije: Feb 2004
Lokacija: Jastrebarsko
Postovi: 1,168
Sve sam spojio i radi no nemogu natjerat Ledice da svijetle tj. da reagiraju.Poslije ću postat shemu kad dođem doma.Kaj bi trebalo promjeniti da reagiraju na manju decibilažu?
__________________
The šuma...
ćiber_manija je offline   Reply With Quote
Staro 01.07.2004., 00:47   #6
ćiber_manija
CyberSky
 
ćiber_manija's Avatar
 
Datum registracije: Feb 2004
Lokacija: Jastrebarsko
Postovi: 1,168
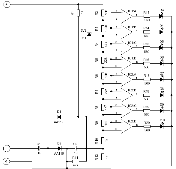
Evo i sheme VU Metra
Attached Thumbnails
Click image for larger version

Name:	cir_am003.gif‎
Views:	313
Size:	2.5 kB
ID:	1879  
__________________
The šuma...
ćiber_manija je offline   Reply With Quote
Staro 01.07.2004., 01:32   #7
giga
Tlacitelj i neznalica
Moj komp
 
giga's Avatar
 
Datum registracije: Dec 2003
Lokacija: Rijeka
Postovi: 1,868
Hehehe,opet se netko igra vu-metra.Cim sam vidio odmah sam kliknuo na post.Ja sam svog izvukao od ispod kreveta prije par mjeseci i nakon sta nije radio 6-7 godina upalim ga i zamislite-RADI. Meni je moj radio sasvim solidno,s tim da sam imao potenciometar s kojim bi regulirao osjetljivost,jer kada pojacas malo vise onda sve svjetle i onda malo okrenes potenciometar da to radi normalno.Koliko me sjecanje sluzi mislim da sam ja radio po ovoj shemi od njuškala....ako si znao napraviti onaj jednostavan onda ces znati napraviti i ovaj recimo malo tezi...
ajde ako imas aparat baci koju sliku....
__________________
Tko nema ni jednog prijatelja ide kao stranac po zemlji.
giga je offline   Reply With Quote
Staro 01.07.2004., 15:18   #8
ćiber_manija
CyberSky
 
ćiber_manija's Avatar
 
Datum registracije: Feb 2004
Lokacija: Jastrebarsko
Postovi: 1,168
Evo i slike
Attached Thumbnails
Click image for larger version

Name:	vumetar.jpg‎
Views:	308
Size:	14.6 kB
ID:	1880  
__________________
The šuma...
ćiber_manija je offline   Reply With Quote
Oglasni prostor
Oglas
 
Oglas
Odgovori



Pravila postanja
Vi ne možete otvarati nove teme
Vi ne možete pisati odgovore
Vi ne možete uploadati priloge
Vi ne možete uređivati svoje poruke

BB code je Uključeno
Smajlići su Uključeno
[IMG] kod je Uključeno
HTML je Uključeno

Idi na