Forumi


Povratak   PC Ekspert Forum > Ostalo > Svaštara
Ime
Lozinka

Odgovori
 
Uređivanje
Staro 16.08.2007., 12:41   #1
giga
Tlacitelj i neznalica
Moj komp
 
giga's Avatar
 
Datum registracije: Dec 2003
Lokacija: Rijeka
Postovi: 1,868
Struja pomoc

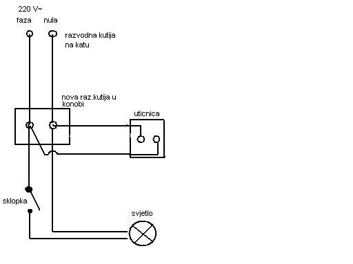
Htjeo bi pomoci prijatelju, ali vise se ni ja ne sjecam sto posto,pa ako mi netko moze reci da li je ovo ispravno.
Dolje je slika.On bi htjeo uzeti struju sa gornjeg kata kuce i spustiti u konobu za svjetlo i jednu dvije uticnice.Sada jedino nisam siguran od kuda da uzme struju,ja mislim da bi trebao iz neke razvodne kutije najblize i na njoj pojacati osigurac ili on kaze da ima vani na balkonu neku struju,sada moram jos malo vidjeti tocno s njime jer smo to preko telefona rijesavali.
Ali ako mi netko moze reci da li je ovo dolje nacrtano u redu?
Za zarulju mislim da je bolje prekinuti fazu i spojiti ju na prekidac a nulu direktno na zarulju,je tako?
A utikac samo provede dvije zice i to je to,je tako?
Molio bi potrvdu ovoga gore da mu ne s***em nesto
A koja zica,kolika kvadratura zice,to se ne sjecam vise,0.5?
Treba pojacati osigurac sa 10A na 15A recimo?
Hvala svima!
__________________
Tko nema ni jednog prijatelja ide kao stranac po zemlji.
giga je offline   Reply With Quote
Staro 16.08.2007., 12:44   #2
giga
Tlacitelj i neznalica
Moj komp
 
giga's Avatar
 
Datum registracije: Dec 2003
Lokacija: Rijeka
Postovi: 1,868
Naravno sliku zaboravio....
Attached Thumbnails
Click image for larger version

Name:	slika.JPG‎
Views:	1179
Size:	12.7 kB
ID:	7630  
__________________
Tko nema ni jednog prijatelja ide kao stranac po zemlji.
giga je offline   Reply With Quote
Oglasni prostor
Oglas
 
Oglas
Staro 16.08.2007., 12:44   #3
coconut
Premium
Moj komp
 
coconut's Avatar
 
Datum registracije: Mar 2006
Lokacija: Opatija
Postovi: 34,077
A gdje je ta slika? Ja ne vidim ništa.

EDIT: sad ima slike

EDIT2: i žarulju i utičnicu može staviti na istu žicu. Da, bolje je da prekidač prekida fazu nego 0.
__________________
"Dvije stvari su beskonačne - svemir i ljudska glupost. Za svemir nisam siguran." A. Einstein
coconut je offline   Reply With Quote
Staro 16.08.2007., 12:49   #4
yedwy
Beskorisna bitanga...
Moj komp
 
yedwy's Avatar
 
Datum registracije: Aug 2004
Lokacija: Sesvete (Zg)
Postovi: 6,956
Meni se čini ok shema...

Što se kvadrature i osigurača tiče čuj ovisi kaj će kačit gore na tu utičnicu je** ga, nije isto oće li kačit radio ili 5kW cirkular...

Ja bi rekao osigurač 16-20A mu je dosta a žicu uzmi prema osobnoj procjeni...

Edit:
Samo pazi da ne uzmeš neku jako debelu jer će ti bit teško spajati utičnice i prekicače na nju, pogledaj si kakave ti spojeve oni imaju (za kolko kvadrata) i maksimalno to uzmeš tj malko manju...
__________________
--
Have a nice day...
yedwy je offline   Reply With Quote
Staro 16.08.2007., 14:41   #5
LordNitro
Premium
 
LordNitro's Avatar
 
Datum registracije: Dec 2002
Lokacija: Zagreb
Postovi: 1,610
Citiraj:
Autor coconut Pregled postova
Da, bolje je da prekidač prekida fazu nego 0.
Ne da je samo bolje, nego se tako radi.

EDIT: Za rasvjetu se uzima žica presjeka 1,5 mm^2
__________________

Kirk: "Spock, you want to know something? Everybody's Human."
Spock: "I find that remark... insulting."
LordNitro je offline   Reply With Quote
Staro 16.08.2007., 15:11   #6
rib@
Premium
 
rib@'s Avatar
 
Datum registracije: Oct 2006
Lokacija: Varaždin
Postovi: 1,194
Shema je ok, a kvadratura zice je 1,5 za rasvjetu i 2,5 za uticnice, ali ako ce u konobi imat ustekan radio ili nes slicno dosta mu je i 1,5.
Provjeri koju kvadraturu zice ima u kutiji s koje uzimas struju, jer ako ima 1,5 nema smisla nastavljati s 2,5.
__________________
cpu e4300/sonictower+nexus120; mbo gigabyte p35-ds3-l; ram kingmax1024/667x2; vga hd3850; psu corsair hx 520w; dvd benq 1655; hdd wd1200jd&samsung hd321kj&ST3160021A; ZM-MFC1; lg22ws; btc6300; mx 518 i sve u chiefu s nekoliko nexusa
rib@ je offline   Reply With Quote
Staro 16.08.2007., 15:42   #7
giga
Tlacitelj i neznalica
Moj komp
 
giga's Avatar
 
Datum registracije: Dec 2003
Lokacija: Rijeka
Postovi: 1,868
Sve je sada jasno....puno vam hvala!
__________________
Tko nema ni jednog prijatelja ide kao stranac po zemlji.
giga je offline   Reply With Quote
Staro 31.05.2023., 23:11   #8
fanATIk
NITKOV
Moj komp
 
fanATIk's Avatar
 
Datum registracije: Oct 2004
Lokacija: Maksimir / Dugave
Postovi: 4,016
Da ne otvaram novu temu, pitanje za strujiće.

Trebam spojit dvije 12 V led trake preko jednog ispravljača i jednog senzorskog prekidača.

Da li sam ja to dobro zamislio?

Hvala unaprijed.



__________________




Asrock FM2A78M-DG3+
Athlon II 860k + Lc Power Lc-cc-120
G.SKILL RipjawsX series 8 GB
Palit GTX 460
Samsung SSD 850 EVO 250 GB, WD 640GB, Hitachi 500GB
Corsair VS550
Thermaltake Core V21
22"LCD LG W2242T
MX Revolution
Logitech X-230
Logitech K740
Canon CanoScan 4400F
Win 10




Unique case by fanATIk




Avatar BIG SIZE
fanATIk je offline   Reply With Quote
Staro 31.05.2023., 23:28   #9
domy_os
EMP moderator
 
domy_os's Avatar
 
Datum registracije: Apr 2005
Lokacija: Osijek
Postovi: 18,953
Za koji napon/struju je taj prekidač? Ako napajanje ne služi za ništa drugo, onda bolje prekidač staviti na fazu 230 V u slučaju da dotični radi na 230 V. Napon spusti na nekih 11,5 V.
__________________
"Kako su krojači novog svjetskog poretka uspjeli u tako kratko vrijeme slomiti intelektualne sposobnosti društva, uništiti kritičku svijest i ljudima nametnuti izvrnutu logiku?"

Nisu slomili u kratko vrijeme. Slamali su godinama, desetljećima pa i stoljećima. Svaka odgledana epizoda Big Brothera, svaki dečko koji ne zna niti promijeniti žarulju, a kamoli uzeti sjekiru i pocijepati drva, svaka cura koja misli da je briga za vlastitu obitelj robija, ali rad za par tisuća kuna u korporaciji 12 sati dnevno blagodat, svako promicanje terora političke korektnosti, svaka podrška promociji svih oblika poremećenosti… Sve to nas je dovelo do ovdje. Korona je samo zakucavanje lopte u gol nakon što je obrana već izigrana i golman odletio u prazno.




Lenovo ThinkPad T14 Gen 2 + Lenovo ThinkPad Universal Thunderbolt 4 Dock

CPU: Intel Core i7-1165G7 @ 2.8 GHz
RAM: 2 x 16 GB DDR4-3200
SSD: Samsung 970 EVO Plus 2 TB NVMe M.2
LCD: 14" FHD IPS 400nits Low Power
WLAN: Intel Wi-Fi 6 AX201
WWAN: Quectel EM120R-GL 4G LTE CAT12
OS: Windows 11 Pro

LCD monitor: AOC AG493UCX
Keyboard: Razer Huntsman V2 Analog
Mice: Logitech G502 Proteus Spectrum
SB: Mackie Onyx Producer 2x2
Speakers: 2 x JBL LSR305
MFP: Canon Pixma MP240
NAS: Synology DS420+ with 4 x WD Red Pro 8 TB
HDD Dock: LC Power LC-DOCK-U3-CR + 12 x Hitachi/Samsung/Seagate/WD 1/2 TB

domy_os je offline   Reply With Quote
Staro 31.05.2023., 23:31   #10
fanATIk
NITKOV
Moj komp
 
fanATIk's Avatar
 
Datum registracije: Oct 2004
Lokacija: Maksimir / Dugave
Postovi: 4,016
Prekidač je za 12V, ne smije 220V na njega. A mora bit taj prekidač pošto je unutar iverice, ne vidi se, lovi dodir kroz 38 mm iverala.
__________________




Asrock FM2A78M-DG3+
Athlon II 860k + Lc Power Lc-cc-120
G.SKILL RipjawsX series 8 GB
Palit GTX 460
Samsung SSD 850 EVO 250 GB, WD 640GB, Hitachi 500GB
Corsair VS550
Thermaltake Core V21
22"LCD LG W2242T
MX Revolution
Logitech X-230
Logitech K740
Canon CanoScan 4400F
Win 10




Unique case by fanATIk




Avatar BIG SIZE
fanATIk je offline   Reply With Quote
Oglasni prostor
Oglas
 
Oglas
Staro 31.05.2023., 23:37   #11
Cuky
jedan i jedini :D
Moj komp
 
Cuky's Avatar
 
Datum registracije: Sep 2005
Lokacija: novi zagreb
Postovi: 5,295
@fanatik - Da. To je to.

Btw, nisam strujic 😁
Cuky je offline   Reply With Quote
Staro 31.05.2023., 23:40   #12
fanATIk
NITKOV
Moj komp
 
fanATIk's Avatar
 
Datum registracije: Oct 2004
Lokacija: Maksimir / Dugave
Postovi: 4,016
Ma mislim, i meni je logično tako, no pitam sam da vidim da nema slučajno neka caka zbog koje griješim.
__________________




Asrock FM2A78M-DG3+
Athlon II 860k + Lc Power Lc-cc-120
G.SKILL RipjawsX series 8 GB
Palit GTX 460
Samsung SSD 850 EVO 250 GB, WD 640GB, Hitachi 500GB
Corsair VS550
Thermaltake Core V21
22"LCD LG W2242T
MX Revolution
Logitech X-230
Logitech K740
Canon CanoScan 4400F
Win 10




Unique case by fanATIk




Avatar BIG SIZE
fanATIk je offline   Reply With Quote
Staro 31.05.2023., 23:48   #13
domy_os
EMP moderator
 
domy_os's Avatar
 
Datum registracije: Apr 2005
Lokacija: Osijek
Postovi: 18,953
Ako ti taj prekidač nije lako dostupan za zamjenu, ja bih stavio još jedan dvopolni za backup, tako da jedna strana prespaja taj touch, a druga prekida 230 V. Ali to sam ja, ne volim te touch pi*darije.
__________________
"Kako su krojači novog svjetskog poretka uspjeli u tako kratko vrijeme slomiti intelektualne sposobnosti društva, uništiti kritičku svijest i ljudima nametnuti izvrnutu logiku?"

Nisu slomili u kratko vrijeme. Slamali su godinama, desetljećima pa i stoljećima. Svaka odgledana epizoda Big Brothera, svaki dečko koji ne zna niti promijeniti žarulju, a kamoli uzeti sjekiru i pocijepati drva, svaka cura koja misli da je briga za vlastitu obitelj robija, ali rad za par tisuća kuna u korporaciji 12 sati dnevno blagodat, svako promicanje terora političke korektnosti, svaka podrška promociji svih oblika poremećenosti… Sve to nas je dovelo do ovdje. Korona je samo zakucavanje lopte u gol nakon što je obrana već izigrana i golman odletio u prazno.




Lenovo ThinkPad T14 Gen 2 + Lenovo ThinkPad Universal Thunderbolt 4 Dock

CPU: Intel Core i7-1165G7 @ 2.8 GHz
RAM: 2 x 16 GB DDR4-3200
SSD: Samsung 970 EVO Plus 2 TB NVMe M.2
LCD: 14" FHD IPS 400nits Low Power
WLAN: Intel Wi-Fi 6 AX201
WWAN: Quectel EM120R-GL 4G LTE CAT12
OS: Windows 11 Pro

LCD monitor: AOC AG493UCX
Keyboard: Razer Huntsman V2 Analog
Mice: Logitech G502 Proteus Spectrum
SB: Mackie Onyx Producer 2x2
Speakers: 2 x JBL LSR305
MFP: Canon Pixma MP240
NAS: Synology DS420+ with 4 x WD Red Pro 8 TB
HDD Dock: LC Power LC-DOCK-U3-CR + 12 x Hitachi/Samsung/Seagate/WD 1/2 TB

domy_os je offline   Reply With Quote
Staro 31.05.2023., 23:56   #14
fanATIk
NITKOV
Moj komp
 
fanATIk's Avatar
 
Datum registracije: Oct 2004
Lokacija: Maksimir / Dugave
Postovi: 4,016
Ma prekidać je u obliku kruga, ugloda se iveral u tom obliku, stavi prekidač i onda preko njega ide još jedna ploča, blenda. Takneš blendu, on pusti struju, takneš opet, zgasi. Tak ak mu se kaj dogodi, samo se odšarafi ta blenda, zamjeni se prekidač i to je to. A 220V mi samo viri kabel iz zida iza gornjih kuhinjskih elemenata tak da mi se neda još i s tim zahebavat. Iz tog kabela samo dovodim napajanje 220V do ispravljača.
Ugradio sam ja njih već dosta, samo je uvijek bila jedna traka, nema puno mudrosti.
Imam istu rasvjetu kod cokla donjih elemenata kuhinje, isto senzor, no tu je traka u komadu, tak da je jednostavno.
__________________




Asrock FM2A78M-DG3+
Athlon II 860k + Lc Power Lc-cc-120
G.SKILL RipjawsX series 8 GB
Palit GTX 460
Samsung SSD 850 EVO 250 GB, WD 640GB, Hitachi 500GB
Corsair VS550
Thermaltake Core V21
22"LCD LG W2242T
MX Revolution
Logitech X-230
Logitech K740
Canon CanoScan 4400F
Win 10




Unique case by fanATIk




Avatar BIG SIZE
fanATIk je offline   Reply With Quote
Staro 01.06.2023., 00:56   #15
domy_os
EMP moderator
 
domy_os's Avatar
 
Datum registracije: Apr 2005
Lokacija: Osijek
Postovi: 18,953
Ma otkad su mi izgorile 3-4 noćne touch lampe, pušem i na hladno. Gledaj samo da ti je napajanje dvostruko jače od ukupne snage obje LED trake i nema problema.
__________________
"Kako su krojači novog svjetskog poretka uspjeli u tako kratko vrijeme slomiti intelektualne sposobnosti društva, uništiti kritičku svijest i ljudima nametnuti izvrnutu logiku?"

Nisu slomili u kratko vrijeme. Slamali su godinama, desetljećima pa i stoljećima. Svaka odgledana epizoda Big Brothera, svaki dečko koji ne zna niti promijeniti žarulju, a kamoli uzeti sjekiru i pocijepati drva, svaka cura koja misli da je briga za vlastitu obitelj robija, ali rad za par tisuća kuna u korporaciji 12 sati dnevno blagodat, svako promicanje terora političke korektnosti, svaka podrška promociji svih oblika poremećenosti… Sve to nas je dovelo do ovdje. Korona je samo zakucavanje lopte u gol nakon što je obrana već izigrana i golman odletio u prazno.




Lenovo ThinkPad T14 Gen 2 + Lenovo ThinkPad Universal Thunderbolt 4 Dock

CPU: Intel Core i7-1165G7 @ 2.8 GHz
RAM: 2 x 16 GB DDR4-3200
SSD: Samsung 970 EVO Plus 2 TB NVMe M.2
LCD: 14" FHD IPS 400nits Low Power
WLAN: Intel Wi-Fi 6 AX201
WWAN: Quectel EM120R-GL 4G LTE CAT12
OS: Windows 11 Pro

LCD monitor: AOC AG493UCX
Keyboard: Razer Huntsman V2 Analog
Mice: Logitech G502 Proteus Spectrum
SB: Mackie Onyx Producer 2x2
Speakers: 2 x JBL LSR305
MFP: Canon Pixma MP240
NAS: Synology DS420+ with 4 x WD Red Pro 8 TB
HDD Dock: LC Power LC-DOCK-U3-CR + 12 x Hitachi/Samsung/Seagate/WD 1/2 TB

domy_os je offline   Reply With Quote
Staro 01.06.2023., 09:22   #16
smuchac
AMD Hammer
Moj komp
 
smuchac's Avatar
 
Datum registracije: Jan 2008
Lokacija: Korčula
Postovi: 1,262
Nzn jel sam ti negdje već pisao,mislim da jesam. Priča da trafo radi u iverici 24/7 mi se ne sviđa. Zato sam preporučio prekidač na 230V strani.
Elem,najprije isprobaj priču "na stolu".

Sent with my Poco X4 Pro 5G using Tapatalk
smuchac je offline   Reply With Quote
Staro 01.06.2023., 13:13   #17
fanATIk
NITKOV
Moj komp
 
fanATIk's Avatar
 
Datum registracije: Oct 2004
Lokacija: Maksimir / Dugave
Postovi: 4,016
Trafo je iznad kuhinje, lako dostupan, prekidač je u iverici. Isprobano više puta, radi besprijekorno. A takav prekidač ne mogu na 220V spojit.
__________________




Asrock FM2A78M-DG3+
Athlon II 860k + Lc Power Lc-cc-120
G.SKILL RipjawsX series 8 GB
Palit GTX 460
Samsung SSD 850 EVO 250 GB, WD 640GB, Hitachi 500GB
Corsair VS550
Thermaltake Core V21
22"LCD LG W2242T
MX Revolution
Logitech X-230
Logitech K740
Canon CanoScan 4400F
Win 10




Unique case by fanATIk




Avatar BIG SIZE
fanATIk je offline   Reply With Quote
Staro 01.06.2023., 15:04   #18
Ivo_Strojnica
PRO
Moj komp
 
Ivo_Strojnica's Avatar
 
Datum registracije: Apr 2010
Lokacija: Zagreb
Postovi: 4,885
Citiraj:
Autor domy_os Pregled postova
Ako ti taj prekidač nije lako dostupan za zamjenu, ja bih stavio još jedan dvopolni za backup, tako da jedna strana prespaja taj touch, a druga prekida 230 V. Ali to sam ja, ne volim te touch pi*darije.
potpis na ovo ko kuća.
__________________
"Who is your daddy and what does he do?"
Ivo_Strojnica je offline   Reply With Quote
Staro 01.06.2023., 17:17   #19
hrwii
Registered User
 
hrwii's Avatar
 
Datum registracije: Dec 2018
Lokacija: Rijeka
Postovi: 25
Nadovezujem se na temu jer sam taman sam sebi napravio dodatan posao…pogodio sam žicu svrdlom, izazvao krakti spoj, automatski osigurač od 15A izbacio…pospajao to natrag i ispitao, vratio osigurac i nema “odgovora”…sad pitanje za iskusne jer strujić nisam…da li sam skurio osigurač?


Sent from my iPhone using Tapatalk
hrwii je offline   Reply With Quote
Staro 01.06.2023., 18:50   #20
domy_os
EMP moderator
 
domy_os's Avatar
 
Datum registracije: Apr 2005
Lokacija: Osijek
Postovi: 18,953
Budi precizniji, koje žice? Ako si burgijom spojio tipa plavu i smeđu/crnu, izbacio je osigurač. Ako si spojio neku od te dvije sa žuto-zelenom, onda je reagirala FID-ovka. Kako si uopće pospajao? Najbolje ih spoji preko rednih stezaljki. Pogledaj još jednom i spoj i osigurač i FID sklopku.
__________________
"Kako su krojači novog svjetskog poretka uspjeli u tako kratko vrijeme slomiti intelektualne sposobnosti društva, uništiti kritičku svijest i ljudima nametnuti izvrnutu logiku?"

Nisu slomili u kratko vrijeme. Slamali su godinama, desetljećima pa i stoljećima. Svaka odgledana epizoda Big Brothera, svaki dečko koji ne zna niti promijeniti žarulju, a kamoli uzeti sjekiru i pocijepati drva, svaka cura koja misli da je briga za vlastitu obitelj robija, ali rad za par tisuća kuna u korporaciji 12 sati dnevno blagodat, svako promicanje terora političke korektnosti, svaka podrška promociji svih oblika poremećenosti… Sve to nas je dovelo do ovdje. Korona je samo zakucavanje lopte u gol nakon što je obrana već izigrana i golman odletio u prazno.




Lenovo ThinkPad T14 Gen 2 + Lenovo ThinkPad Universal Thunderbolt 4 Dock

CPU: Intel Core i7-1165G7 @ 2.8 GHz
RAM: 2 x 16 GB DDR4-3200
SSD: Samsung 970 EVO Plus 2 TB NVMe M.2
LCD: 14" FHD IPS 400nits Low Power
WLAN: Intel Wi-Fi 6 AX201
WWAN: Quectel EM120R-GL 4G LTE CAT12
OS: Windows 11 Pro

LCD monitor: AOC AG493UCX
Keyboard: Razer Huntsman V2 Analog
Mice: Logitech G502 Proteus Spectrum
SB: Mackie Onyx Producer 2x2
Speakers: 2 x JBL LSR305
MFP: Canon Pixma MP240
NAS: Synology DS420+ with 4 x WD Red Pro 8 TB
HDD Dock: LC Power LC-DOCK-U3-CR + 12 x Hitachi/Samsung/Seagate/WD 1/2 TB

domy_os je offline   Reply With Quote
Staro 01.06.2023., 19:12   #21
hrwii
Registered User
 
hrwii's Avatar
 
Datum registracije: Dec 2018
Lokacija: Rijeka
Postovi: 25
Ne ne nista nije spajano…sve je radilo 15 godina sve je na novim instalacijama…pogodio sam žicu od 2,5 kvadrata…izbacio je osigurac…normala…zavrsim štemanje uzmem “keks” pospajam plavu na plavu/smeđu ne smeđu/uzemljenj na uzemljenje tamo gdje je nastao prekid…dignem osigurac i nista…uzmem probir da vidim ima li uopće života u djelu žice koja ide od razvodne do mjesta prekida i isto mrtvo…zapravo želim da mi netko potvrdi da li je moguće da sam skurio automatski osigurač jer sam mislio da oni samo izbace kod nekog nepravilnog napona i onda ga samo vratim i thats it…fidovku imam, spojena je samo na kupaonu ali nju nije izbacilo jer nema veze sa tim instalacijama…možda nekome tko radi i tko se razumije u struju zvučim kao trol ali me iskreno samo zanima da li je otišao osigurač i da me potvrdi…hvala.


Sent from my iPhone using Tapatalk
hrwii je offline   Reply With Quote
Staro 01.06.2023., 19:26   #22
domy_os
EMP moderator
 
domy_os's Avatar
 
Datum registracije: Apr 2005
Lokacija: Osijek
Postovi: 18,953
Onda odi do tog osigurača i ispitivačem provjeri obje strane. Nisam još čuo za takav slučaj, ali nije da imam nešto previše električarskog iskustva, to mi je sekundarni biznis.
__________________
"Kako su krojači novog svjetskog poretka uspjeli u tako kratko vrijeme slomiti intelektualne sposobnosti društva, uništiti kritičku svijest i ljudima nametnuti izvrnutu logiku?"

Nisu slomili u kratko vrijeme. Slamali su godinama, desetljećima pa i stoljećima. Svaka odgledana epizoda Big Brothera, svaki dečko koji ne zna niti promijeniti žarulju, a kamoli uzeti sjekiru i pocijepati drva, svaka cura koja misli da je briga za vlastitu obitelj robija, ali rad za par tisuća kuna u korporaciji 12 sati dnevno blagodat, svako promicanje terora političke korektnosti, svaka podrška promociji svih oblika poremećenosti… Sve to nas je dovelo do ovdje. Korona je samo zakucavanje lopte u gol nakon što je obrana već izigrana i golman odletio u prazno.




Lenovo ThinkPad T14 Gen 2 + Lenovo ThinkPad Universal Thunderbolt 4 Dock

CPU: Intel Core i7-1165G7 @ 2.8 GHz
RAM: 2 x 16 GB DDR4-3200
SSD: Samsung 970 EVO Plus 2 TB NVMe M.2
LCD: 14" FHD IPS 400nits Low Power
WLAN: Intel Wi-Fi 6 AX201
WWAN: Quectel EM120R-GL 4G LTE CAT12
OS: Windows 11 Pro

LCD monitor: AOC AG493UCX
Keyboard: Razer Huntsman V2 Analog
Mice: Logitech G502 Proteus Spectrum
SB: Mackie Onyx Producer 2x2
Speakers: 2 x JBL LSR305
MFP: Canon Pixma MP240
NAS: Synology DS420+ with 4 x WD Red Pro 8 TB
HDD Dock: LC Power LC-DOCK-U3-CR + 12 x Hitachi/Samsung/Seagate/WD 1/2 TB

domy_os je offline   Reply With Quote
Staro 01.06.2023., 19:31   #23
hrwii
Registered User
 
hrwii's Avatar
 
Datum registracije: Dec 2018
Lokacija: Rijeka
Postovi: 25
Probati cu sutra da jos danas imamo svjetlo kad padne mrak a da to ne budem ja😉 hvala ti kolega 👍🏻


Sent from my iPhone using Tapatalk
hrwii je offline   Reply With Quote
Staro 01.06.2023., 20:29   #24
Kruno M
Premium
Moj komp
 
Kruno M's Avatar
 
Datum registracije: Nov 2004
Lokacija: VKCI
Postovi: 1,228
Citiraj:
Autor hrwii Pregled postova
Ne ne nista nije spajano…sve je radilo 15 godina sve je na novim instalacijama…pogodio sam žicu od 2,5 kvadrata…izbacio je osigurac…normala…zavrsim štemanje uzmem “keks” pospajam plavu na plavu/smeđu ne smeđu/uzemljenj na uzemljenje tamo gdje je nastao prekid…dignem osigurac i nista…uzmem probir da vidim ima li uopće života u djelu žice koja ide od razvodne do mjesta prekida i isto mrtvo…zapravo želim da mi netko potvrdi da li je moguće da sam skurio automatski osigurač jer sam mislio da oni samo izbace kod nekog nepravilnog napona i onda ga samo vratim i thats it…fidovku imam, spojena je samo na kupaonu ali nju nije izbacilo jer nema veze sa tim instalacijama…možda nekome tko radi i tko se razumije u struju zvučim kao trol ali me iskreno samo zanima da li je otišao osigurač i da me potvrdi…hvala.


Sent from my iPhone using Tapatalk
Osigurač nije problem ispitati. Raspojiš sve sa njega, spojiš instrument na mjerenje otpora/zujalica ako ima. Spojiš na gornju i doljnju klemu po jednu pipalicu i kada digneš osigurač trebalo bi zujati/mjenjati se otpor (otići u kratki)

Ako osigurač valja, eventualno što mi pada na pamet . Da li ti se žica omotala oko borera? ili si ju probio. Možda si ju rasčupao par cenata gore dolje u zidu.

Ako nemaš instrument improviziraj sa ledicom i baterijom. Lampa sa bicikla, bilo šta samo prespoji da struja ide preko osigurača sa žičicama. Naravno RASPOJI SVE SA OSIGURAČA
__________________
Pošteni trgovci: 1 2 3 4 5 6 7 8 9 10 11 12
Kruno M je offline   Reply With Quote
Staro 01.06.2023., 20:41   #25
zlatko
Premium
Moj komp
 
zlatko's Avatar
 
Datum registracije: Oct 2005
Lokacija: slavonac
Postovi: 501
Citiraj:
Autor hrwii Pregled postova
Ne ne nista nije spajano…sve je radilo 15 godina sve je na novim instalacijama…pogodio sam žicu od 2,5 kvadrata…izbacio je osigurac…normala…zavrsim štemanje uzmem “keks” pospajam plavu na plavu/smeđu ne smeđu/uzemljenj na uzemljenje tamo gdje je nastao prekid…dignem osigurac i nista…uzmem probir da vidim ima li uopće života u djelu žice koja ide od razvodne do mjesta prekida i isto mrtvo…zapravo želim da mi netko potvrdi da li je moguće da sam skurio automatski osigurač jer sam mislio da oni samo izbace kod nekog nepravilnog napona i onda ga samo vratim i thats it…fidovku imam, spojena je samo na kupaonu ali nju nije izbacilo jer nema veze sa tim instalacijama…možda nekome tko radi i tko se razumije u struju zvučim kao trol ali me iskreno samo zanima da li je otišao osigurač i da me potvrdi…hvala.

Šta je keks?


Sent from my iPhone using Tapatalk
__________________
he,he
zlatko je offline   Reply With Quote
Staro 01.06.2023., 20:43   #26
Kruno M
Premium
Moj komp
 
Kruno M's Avatar
 
Datum registracije: Nov 2004
Lokacija: VKCI
Postovi: 1,228
Pretpostavljam da.misli.na wago ili slično
__________________
Pošteni trgovci: 1 2 3 4 5 6 7 8 9 10 11 12
Kruno M je offline   Reply With Quote
Staro 01.06.2023., 20:49   #27
zlatko
Premium
Moj komp
 
zlatko's Avatar
 
Datum registracije: Oct 2005
Lokacija: slavonac
Postovi: 501
Citiraj:
Autor Kruno M Pregled postova
Pretpostavljam da.misli.na wago ili slično
znam, zato i pitam . Za spojiti3 žice trebaju mu 3 keksa. A po onom što piše, u jedan keks je ugurao sve 3 žice . Wago nije redna stezaljka ili luster klema...
__________________
he,he
zlatko je offline   Reply With Quote
Staro 01.06.2023., 21:11   #28
hrwii
Registered User
 
hrwii's Avatar
 
Datum registracije: Dec 2018
Lokacija: Rijeka
Postovi: 25
Moje slabo poznavanje terminologije dovelo je do bauštelskog “keksa” a zapravo se radi o luster klemi…i da koristio sam tri za svaku žicu pojedinačno. Ispitao sam osigurač na kutiji i on je tu mrtav. Ono sto me još cudi su “mrtvih” 4 osiguraca ispod njega. Da li je moguće da su povezani i da ovise o jedno neispravnom osiguraču?
Kad sam pogodio žicu bio je čist presjek a i kada sam stavljao u luster klemu trebao sam oguliti po 3cm žice tako da na to ne sumnjam…izgleda da je osigurač…
hrwii je offline   Reply With Quote
Staro 01.06.2023., 21:15   #29
zlatko
Premium
Moj komp
 
zlatko's Avatar
 
Datum registracije: Oct 2005
Lokacija: slavonac
Postovi: 501
Citiraj:
Autor hrwii Pregled postova
Moje slabo poznavanje terminologije dovelo je do bauštelskog “keksa” a zapravo se radi o luster klemi…i da koristio sam tri za svaku žicu pojedinačno. Ispitao sam osigurač na kutiji i on je tu mrtav. Ono sto me još cudi su “mrtvih” 4 osiguraca ispod njega. Da li je moguće da su povezani i da ovise o jedno neispravnom osiguraču?
Kad sam pogodio žicu bio je čist presjek a i kada sam stavljao u luster klemu trebao sam oguliti po 3cm žice tako da na to ne sumnjam…izgleda da je osigurač…
Jel priključak monofazni ili trofazni?
__________________
he,he
zlatko je offline   Reply With Quote
Staro 01.06.2023., 21:17   #30
hrwii
Registered User
 
hrwii's Avatar
 
Datum registracije: Dec 2018
Lokacija: Rijeka
Postovi: 25
Trofazni


Sent from my iPhone using Tapatalk
hrwii je offline   Reply With Quote
Oglasni prostor
Oglas
 
Oglas
Odgovori


Uređivanje

Pravila postanja
Vi ne možete otvarati nove teme
Vi ne možete pisati odgovore
Vi ne možete uploadati priloge
Vi ne možete uređivati svoje poruke

BB code je Uključeno
Smajlići su Uključeno
[IMG] kod je Uključeno
HTML je Uključeno

Idi na