Forumi


Povratak   PC Ekspert Forum > Ostalo > Svaštara
Ime
Lozinka

Odgovori
 
Uređivanje
Staro 05.04.2018., 22:10   #1
PCjob
Registered User
 
Datum registracije: Jun 2015
Lokacija: Zagreb
Postovi: 4
Prepravka(hack) audio linije-pitanje?

Pozdrav!Imam liniju sanyo dc-da1200m te bih ju htio "hakirati".Htio bih joj dodati rca ulaze ili direktno spojiti 3.5mm kabel na input pojacala,te tako pustati muzuku s racunala.Imam mogucnost to napravti na inputima u pojacalo preko cd playera,kazetofona ili radio prijemnika.No zanima me jeli bi trebao na L i R channel spojiti prvo neke otpornike i kondenzatore ili mogu direktno,posto sam za takve iste hackove gledo na netu da neko spoji direktno a neko s otpornicima.Hvala!

Sve potrebne sheme i dijagrami za liniju:
https://www.manualslib.com/manual/63...250m-Sp-2.html

PCjob je offline   Reply With Quote
Staro 05.04.2018., 23:40   #2
Nikky
Moderator
 
Nikky's Avatar
 
Datum registracije: Sep 2006
Lokacija: St
Postovi: 23,566
Nađi u dokumentaciji a potom odg. vodove na pcb - u,
IC411 ima ulogu selekcije izvora i reg. volumena, L1-L4 i R1-R4 su 4 ulaza,
po shemi na str. 20 se vidi da nije spojen pin 11 i 20 (aux),
međutim pitanje je kako ga aktivirati (omogućiti opciju izbora).
Kondenzatore / otpornike šta spominješ bilo bi dobro staviti (vidi susjedne ulaze).

Ako ne uspiješ nekako aktivirati aux ulaz, šta vjerojatno nećeš zbog dig. upravljanja,
probaj na pinovima 10 i 21 > tu još imaš kontrolu volumena,

na pinovima 5 i 26 ide signal direktno u izl. pojačalo.
PAZI !
U toj kombinaciji nemaš regulaciju volumena na liniji, nego moraš paziti šta šalješ ...

Dokumentacija IC411 > http://www.datasheetlib.com/datashee...conductor.html
Nikky je offline   Reply With Quote
Oglasni prostor
Oglas
 
Oglas
Staro 06.04.2018., 18:15   #3
PCjob
Registered User
 
Datum registracije: Jun 2015
Lokacija: Zagreb
Postovi: 4
Citiraj:
Autor Nikky Pregled postova
Nađi u dokumentaciji a potom odg. vodove na pcb - u,
IC411 ima ulogu selekcije izvora i reg. volumena, L1-L4 i R1-R4 su 4 ulaza,
po shemi na str. 20 se vidi da nije spojen pin 11 i 20 (aux),
međutim pitanje je kako ga aktivirati (omogućiti opciju izbora).
Kondenzatore / otpornike šta spominješ bilo bi dobro staviti (vidi susjedne ulaze).

Ako ne uspiješ nekako aktivirati aux ulaz, šta vjerojatno nećeš zbog dig. upravljanja,
probaj na pinovima 10 i 21 > tu još imaš kontrolu volumena,

na pinovima 5 i 26 ide signal direktno u izl. pojačalo.
PAZI !
U toj kombinaciji nemaš regulaciju volumena na liniji, nego moraš paziti šta šalješ ...

Dokumentacija IC411 > http://www.datasheetlib.com/datashee...conductor.html
Hvala puno!!!
Te aux pinove uopce nisam primjetio,slazem se da bi najbolje bilo njih aktivirati,sto ne postoji nikakav nacin pomocu programatora ili drazenjem kombinacija nekih tipki???

Ako cu probavati preko pinova 10 i 21 ,da spojim direktno na njih ili ispred kond. i otpornika koji su spojeni na te pinove?

Ako cu spajati na pinove 5 i 26,jeli bi mogao reglirati ako bih dodao dodatni potenciometar i sta jos ide?

Hvala!!!
PCjob je offline   Reply With Quote
Staro 06.04.2018., 18:57   #4
Nikky
Moderator
 
Nikky's Avatar
 
Datum registracije: Sep 2006
Lokacija: St
Postovi: 23,566
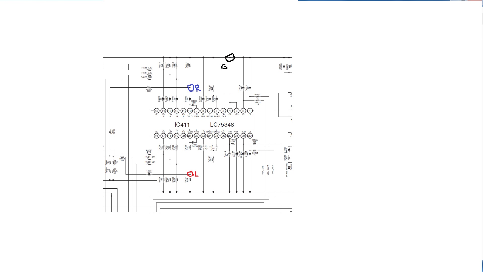
Radije izaberi prvu varijantu (10 i 21),
spoji signal na vod (točku) gdje su međusobno spojeni C4825 - R4831 - R4825 za jedan kanal, te analogno tome na drugom kanalu,
masu imaš "di očeš", samo kao primjer pin 4 istog ic je spojen direktno na nju.

Izvučeš van linije na zadnjoj strani preko chinch - eva ili eventualno 3.5 mm stereo klinke "šasijske" utičnice.
Odatle odg. kabelom u Line out na kompu.
Važan detalj je da tako imaš regulaciju volumena na liniji.
Pažljivo nađi optimum (pogotovo u probi) koliko si "odvrnio" na kompu i/ili liniji.

Ostaje ti još jedan štos, kako "aktivirati" pojačalo linije,
prebaci na tape (kazetofon) i bez kazete aktiviraj play.
Nije idealno jer mora vrtiti kazetofon ... ali radi.
Nikky je offline   Reply With Quote
Staro 06.04.2018., 21:37   #5
jp_rv
Premium
 
Datum registracije: May 2014
Lokacija: istra
Postovi: 3,523
ili za 20kn kupi onu kazetu sa aux kabelom.
provjereno radi, i sasvim se solidno čuje. probao sam i na dobrom linijskom kazetofonu i , iako nije zvuk kao direktno kad spojiš, razlika je samo u šumu koji se javlja u glavi kazetofona i predpojačala. za usputno slušanje je čisto OK.

npr https://www.ebay.com/itm/3-5mm-Car-A...kAAOSwn45ZwxuW
jp_rv je offline   Reply With Quote
Staro 07.04.2018., 14:10   #6
PCjob
Registered User
 
Datum registracije: Jun 2015
Lokacija: Zagreb
Postovi: 4
Citiraj:
Autor Nikky Pregled postova
Radije izaberi prvu varijantu (10 i 21),
spoji signal na vod (točku) gdje su međusobno spojeni C4825 - R4831 - R4825 za jedan kanal, te analogno tome na drugom kanalu,
masu imaš "di očeš", samo kao primjer pin 4 istog ic je spojen direktno na nju.

Izvučeš van linije na zadnjoj strani preko chinch - eva ili eventualno 3.5 mm stereo klinke "šasijske" utičnice.
Odatle odg. kabelom u Line out na kompu.
Važan detalj je da tako imaš regulaciju volumena na liniji.
Pažljivo nađi optimum (pogotovo u probi) koliko si "odvrnio" na kompu i/ili liniji.

Ostaje ti još jedan štos, kako "aktivirati" pojačalo linije,
prebaci na tape (kazetofon) i bez kazete aktiviraj play.
Nije idealno jer mora vrtiti kazetofon ... ali radi.
Hvala puno!
Poslao sam sliku kako spojiti da vidim jesam li dobro razumio.
Hvala!
Attached Thumbnails
Click image for larger version

Name:	spajanje.jpg‎
Views:	206
Size:	152.9 kB
ID:	19492  
PCjob je offline   Reply With Quote
Staro 07.04.2018., 14:13   #7
PCjob
Registered User
 
Datum registracije: Jun 2015
Lokacija: Zagreb
Postovi: 4
Citiraj:
Autor jp_rv Pregled postova
ili za 20kn kupi onu kazetu sa aux kabelom.
provjereno radi, i sasvim se solidno čuje. probao sam i na dobrom linijskom kazetofonu i , iako nije zvuk kao direktno kad spojiš, razlika je samo u šumu koji se javlja u glavi kazetofona i predpojačala. za usputno slušanje je čisto OK.

npr https://www.ebay.com/itm/3-5mm-Car-A...kAAOSwn45ZwxuW
Taj adapter trenutno i korsistim,no s time iz nekog razloga ne dobivam stereo nego mono zvuk,nisam jos proucavo zasto nego sam jedonstavno odlucio napravit te ulaze jer zelim jednostavbno unaprijedit liniju i zanima me to,te ce bit cisci zvuk bez tog suma i brujanja s adaptera.
PCjob je offline   Reply With Quote
Staro 07.04.2018., 14:31   #8
Nikky
Moderator
 
Nikky's Avatar
 
Datum registracije: Sep 2006
Lokacija: St
Postovi: 23,566
Šta se tiče gdje treba spojiti dobro si razumio, svakako koristi "oklopljeni NF kabel" ili "kabel za slušalice".
Zvuk bi trebao biti "čišći" ali očekuj da će i dalje biti nešto brujanja (mada puno manje) jer "u pozadini" radi preamp za glavu kazete.
Nikky je offline   Reply With Quote
Staro 07.04.2018., 15:13   #9
PCjob
Registered User
 
Datum registracije: Jun 2015
Lokacija: Zagreb
Postovi: 4
Citiraj:
Autor Nikky Pregled postova
Šta se tiče gdje treba spojiti dobro si razumio, svakako koristi "oklopljeni NF kabel" ili "kabel za slušalice".
Zvuk bi trebao biti "čišći" ali očekuj da će i dalje biti nešto brujanja (mada puno manje) jer "u pozadini" radi preamp za glavu kazete.
Otvorio sam liniju no kod tog IC-a su SMD otpornici,te se tesko snac i ne znam dal bi bilo pametno tamo lemiti posto je SMD?
PCjob je offline   Reply With Quote
Staro 07.04.2018., 17:51   #10
Nikky
Moderator
 
Nikky's Avatar
 
Datum registracije: Sep 2006
Lokacija: St
Postovi: 23,566
Nemoj blizu SMD elementa nego se malo odmakni pa probaj na pcb vod,
vjerojatno treba malo zagrebati da makneš zaštitni lak, zavisi kako je izvedeno,
koliko je "debljina" voda, neda mi se sad opet otvarat dokumentaciju ...
SMD sam po sebi nije problem, bitno je da ne griješ previše da se ne odlemi i otpadne,
ako se to i desi treba ga pažljivo vratit na mjesto i zalemiti.
Možda ti je lakše zalemit žicu baš na njemu samo trebaš "imati još jednu ruku" da pridržava smd na mjestu, neka je pcb (štampa) vodoravno ...
Nikky je offline   Reply With Quote
Oglasni prostor
Oglas
 
Oglas
Odgovori


Uređivanje

Pravila postanja
Vi ne možete otvarati nove teme
Vi ne možete pisati odgovore
Vi ne možete uploadati priloge
Vi ne možete uređivati svoje poruke

BB code je Uključeno
Smajlići su Uključeno
[IMG] kod je Uključeno
HTML je Uključeno

Idi na