Forumi
Home Pravila i pomoć Članovi Kalendar Današnji postovi


Povratak   PC Ekspert Forum > Računala > Kućišta, napajanja i modding > Kućišta i napajanja
Ime
Lozinka

Odgovori
 
Uređivanje
Staro 12.03.2004., 01:25   #1
KeLLe
Stoka
 
KeLLe's Avatar
 
Datum registracije: Dec 2003
Lokacija: Matulji
Postovi: 268
ZALMANOV regulator vrtnje.

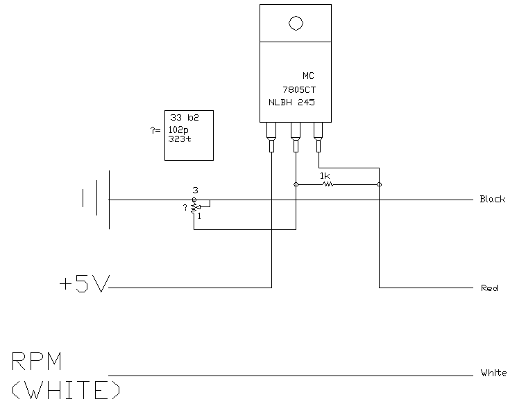
Zanimalo me kako bi napravio regulator vrtnje pomoću potenciometra, uhvatio u ruke onu zalnamovu kutijicu potenciometrom i otvorio (razvalio) je. Vidjeh da su unutra samo dva elementa: tranzistor i trimer.

Odmah sam odletio na str od chipoteke da nađem taj tranzistor ali 0 bodova!

Zna li neko za bilo kakav sličan tranzistor da ga ima u chipoteci??


Eto tu je i shema (bilo mi je dosadno pa sam je nacrtao u acad-u )

nisam ja te elektrotehničke struke pa neznam baš oznake!!

ali šta je tu je!
Attached Thumbnails
Click image for larger version

Name:	zalmanova kont.gif‎
Views:	199
Size:	4.5 kB
ID:	1146  
__________________
Acer Aspire 5741g
i5 430M, ATI HD 5470 512mb,
4gb DDR3, 500 gb hdd
KeLLe je offline   Reply With Quote
Oglas
 
Oglas
Oglasni prostor

Odgovori



Pravila postanja
Vi ne možete otvarati nove teme
Vi ne možete pisati odgovore
Vi ne možete uploadati priloge
Vi ne možete uređivati svoje poruke

BB code je Uključeno
Smajlići su Uključeno
[IMG] kod je Uključeno
HTML je Uključeno

Idi na